纳祥科技74HC164D是一个具有与门控串行输入和异步清除(CLR)输入的8位移位寄存器。门控串行(A和B)输入允许完全控制输入数据;任一输入端的低电平抑制输入新数据,并在下一个时钟 (CLK) 脉冲将第一个触发器复位为低电平。高电平输入启用另一个输入,然后确定第一个触发器的状态。
在性能上,74HC164D可以PIN TO PIN SN74HC164DR 。

74HC164D主要具备以下4个特性:
① 逻辑与门(使能/禁止)串行输入
② 全缓冲时钟和串行输入
③ 移位寄存器具有直接清零功能
④ 多种封装形式:小尺寸封装SOP(D)和陶瓷扁平封装CFP(W),陶瓷芯片载体封装(FK)、标准塑料封装(N)、陶瓷直插式300mil封装

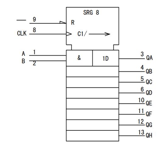
▲74HC164D功能框图
在功耗方面,74HC164D 采用多种小型封装,在运行过程中所消耗的功率较低,这一特点对于对功耗敏感的应用场景而言,能够显著延长设备的使用寿命,并降低能源消耗。
在数据处理方面,74HC164D具有较高的时钟速率,通常可达 25MHz,能够快速地处理数据的移位和传输,满足对数据处理速度要求较高的系统需求。

▲74HC164D管脚配置
因而,74HC164D在电子产品市场上具有较高的竞争力,一直被广泛应用于可编程逻辑控制器、家用电器、音视频显示系统、IO口扩展等。

▲74HC164D应用示例图
文章来自互联网,不代表电脑知识网立场。发布者:,转载请注明出处:https://www.pcxun.com/n/440456.html
